Recommended Products
咨詢熱線:
0519-82518168
電話:18922852877
郵箱:jacky@xbwsemi.com
QQ:523062883
地址:江蘇省常州市金壇區儒林開發區長豐路18號
肖特基二極管MBR10100CT是一種高頻高效率、反向恢復時間短的半導體器件。它是一種具有低前向壓降、快速恢復時間、高性能的二極管。該設備具有P型半導體和N型半導體之間的特殊結構,也稱作肖特基勢壘二極管。它由兩個不同材料之間的結構組成,這些材料通常是金屬和半導體。

一、肖特基二極管MBR10100CT規格參數
產品品牌:新邦微XBW
產品類型:肖特基二極管
產品型號:MBR10100CT
產品描述:10A 100V
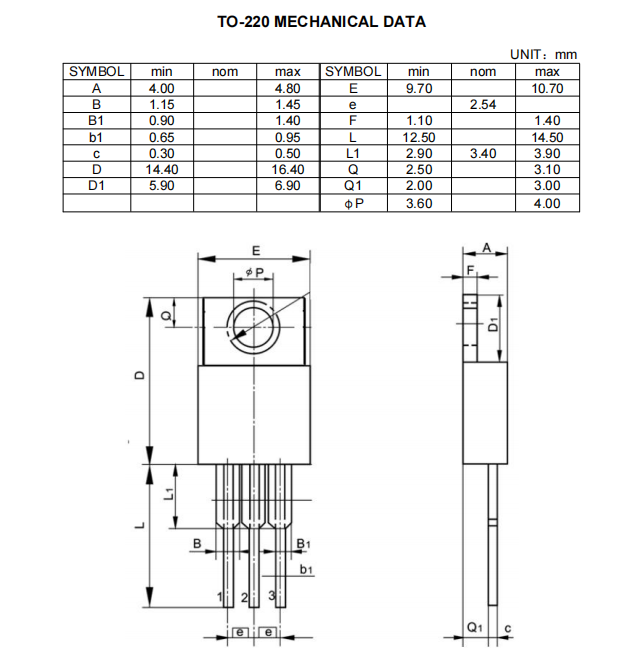
產品封裝:TO-220
反向耐壓(Vrrm):100V
反向電壓(Vr) :100V
正向壓降(Vf) :0.96V
正向電流IF(A) :10A
正向浪涌電流(Ifsm):100A
工作結溫 :150℃
儲存溫度范圍 :-55℃ to +150℃
二、肖特基二極管MBR10100CT規格書



三、肖特基二極管MBR10100CT特點
1、高壓
MBR10100CT能夠承受高達100伏特的反向電壓,因此非常適合在高壓電路中應用。
2、高效
由于其肖特基結的特殊結構,MBR10100CT具有非常低的開關損耗。這意味著它能夠在工作時產生更少的熱量,從而提高整個系統的效率。
3、快速
MBR10100CT的響應速度非常快,能夠在極短的時間內從導通狀態切換到截止狀態。這使得它非常適合在高速開關電路中應用。
MBR10100CT的使用方法也非常簡單。首先,在接線時需要特別注意器件的極性。具體來說,在使用之前,您應該仔細查看器件本身以及器件數據手冊中的標志,以確保正確連接。如果連接錯誤,可能會對器件本身造成損壞或導致不良的工作效果。
其次,在使用MBR10100CT時,高壓電源需要采取正確的控制方式以確保工作的穩定性和可靠性。通常情況下,需要在電路中加入適當的濾波器或穩壓器來控制電壓波動,從而保證MBR10100CT的正常工作。
四、肖特基二極管MBR10100CT常見應用
MBR10100CT的應用范圍非常廣泛。它可以用于各種不同的電子設備中,如電源供應器,開關電源,變換器,充電器等等。由于其快速響應和高效率的特點,肖特基二極管MBR10100CT已經成為許多不同機構的首選電子器件之一。
綜上所述,肖特基二極管MBR10100CT是一款非常重要的電子組件,具有高壓、高效、快速等優點。在使用之前,需要注意器件的極性,并采取正確的控制方式以保證正常工作。如果您需要在電路中使用肖特基二極管,MBR10100CT是一個不錯的選擇。